國標2040工業鋁型材在我們工業鋁型材中是一款常用于做門框的鋁型材,那么,它具體又有哪些特點呢?不要著急,啟域金屬就來給大家簡單的介紹一下它。
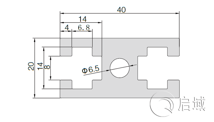
國標2040工業鋁型材的產品貨號是QY-8-2040G,常用叫法為20*40國標鋁型材,大家又要注意了,這款鋁型材是槽8系列的哦。國標2040工業鋁型材適用于輕型結構的框架組合、常用于制作門框。連接件搭配的比較簡單,通常采用對邊為14mm的M6四方螺母與高強度圓柱頭內六角螺栓連接方式。我們國標工業鋁型材的配件相對于歐標工業鋁型材的配件來說,還是屬于比較少的那一類。
其實歐標和國標的用法和用途都是一樣的,就是兩個型號給不同審美需求的人設計的,啟域金屬不管是歐標工業鋁型材還是國標工業鋁型材,產品型號都是很齊全的哦,所以,有需要用到鋁型材的朋友不妨聯系一下啟域:021-67658689,我們定會給您一個滿意的答復的哦。
《該文章來源于上海啟域金屬有限公司原創 網址:http://m.nbchunrui.cn/轉載請注明》





滬公網安備31011702001213號
掃一掃,關注手機站