相對于歐標工業鋁型材,國標工業鋁型材的規格就比較少了,20系列國標鋁型材對應20系列歐標鋁型材,它的規格也是少了不少,OK,我們現在就來看一下這款國標2020工業鋁型材又有什么不同之處吧。
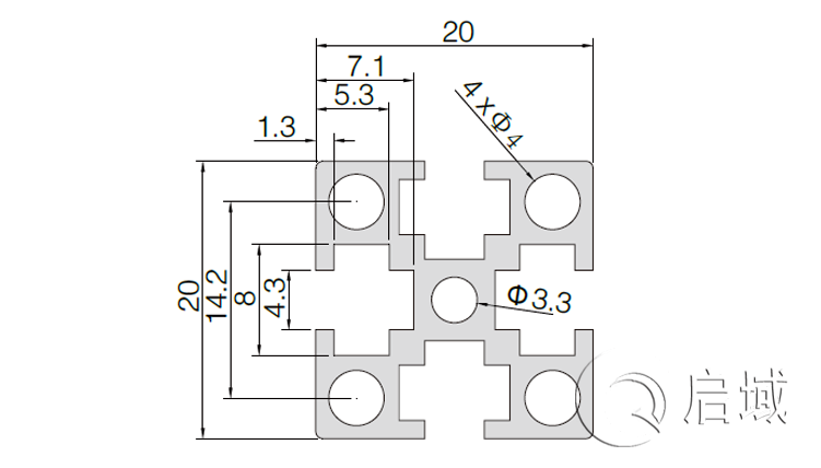
國標2020工業鋁型材貨號為QY-4-2020G,我們啟域鋁型材所有國標鋁型材的貨號后面都是帶G的哦,所有只要看到咱們的貨號后面有帶G,那么這款肯定就是國標工業鋁型材了,它和歐標2020鋁型材不一樣哦,這款國標2020工業鋁型材是槽4系列的,它適用于輕型結構的框架組合。如機罩、儀器機架、展示欄等。通常采用對邊為8mm的M4四方螺母與高強度內六角螺栓連接方式。
國標工業鋁型材和歐標工業鋁型材使用的螺絲螺母也是不一樣的哦,所有大家在搭配的時候就要注意了,這期文章就到這里結束了,有需要這款鋁型材的朋友可以聯系啟域金屬:021-67658689,我們下期再見!
《該文章來源于上海啟域金屬有限公司原創 網址:http://m.nbchunrui.cn/轉載請注明》





滬公網安備31011702001213號
掃一掃,關注手機站