鋁型材設備機柜作為電子設備的載體,被廣泛使用,為了里面的線路設備不被外界灰塵,沙粒落在運行線路設備上,上面會安裝柜門,柜門的用途不但有防塵防沙作用,還有提高現場視覺美觀作用,一般安裝鋁型材設備機柜門使用型材大家知道嗎?不知道沒有關系,大家來看一下文。
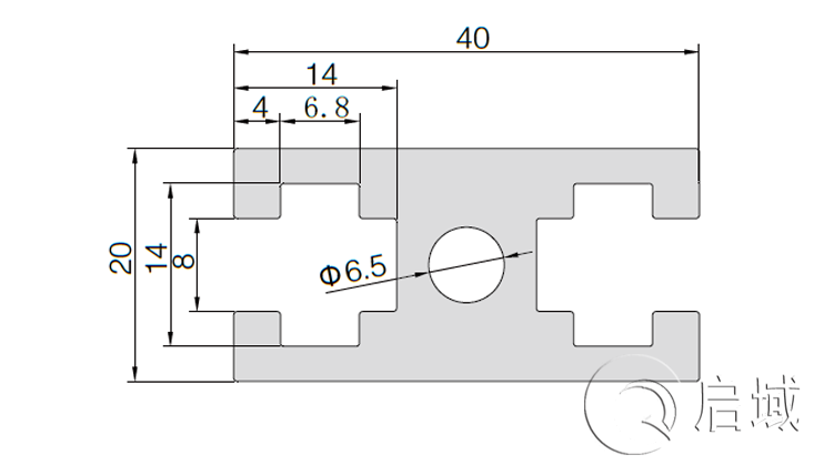
在之前的介紹中一直說型材是四面帶槽,方便使用配件安裝,但是鋁型材設備機柜門使用的型材可根之前說的大不一樣,它是兩面帶槽,以上海啟域多年安裝經驗來說,常用的就兩種規格,圖二國標1530型材,圖三國標2040型材。
為什么要說這兩種規格呢?大家在來看看圖四,就是將圖二和圖三者兩款型材切成45度角,用直角連接件進行固定,與板材的拼合就會呈現圖一門的效果。
可能還有小伙伴會說除了這兩款型材其它的型材規格就不能做門框了嗎?答案是可以的,只是成品效果不是很好看,這兩款是專用在門框上的,想要來做框架,在承重上它是達不到要求的。
鋁型材設備機柜門框可使用什么型材文中已經很詳細給大家介紹了,如果您需要定制框架上海啟域有專業技術團隊,根據每位客戶的使用要求會給出科學合理的解決方案。
該文章來自上海啟域金屬制品有限公司,禁止轉載!原創文章已全網維權,侵權必究!
在之前的介紹中一直說型材是四面帶槽,方便使用配件安裝,但是鋁型材設備機柜門使用的型材可根之前說的大不一樣,它是兩面帶槽,以上海啟域多年安裝經驗來說,常用的就兩種規格,圖二國標1530型材,圖三國標2040型材。
為什么要說這兩種規格呢?大家在來看看圖四,就是將圖二和圖三者兩款型材切成45度角,用直角連接件進行固定,與板材的拼合就會呈現圖一門的效果。
可能還有小伙伴會說除了這兩款型材其它的型材規格就不能做門框了嗎?答案是可以的,只是成品效果不是很好看,這兩款是專用在門框上的,想要來做框架,在承重上它是達不到要求的。
鋁型材設備機柜門框可使用什么型材文中已經很詳細給大家介紹了,如果您需要定制框架上海啟域有專業技術團隊,根據每位客戶的使用要求會給出科學合理的解決方案。
該文章來自上海啟域金屬制品有限公司,禁止轉載!原創文章已全網維權,侵權必究!
下一篇:組裝一臺鋁型材設備機柜價格上一篇:鋁型材設備機柜常用的規格
此文關鍵字:鋁型材設備機柜




滬公網安備31011702001213號
掃一掃,關注手機站