鋁合金型材就是四面帶槽的鋁型材,使用相對應的鋁型材配件就可以搭建一臺流水線工作臺,車間設備防護罩,區域隔斷安全圍欄等,可是有客戶問到鋁合金型材四面帶槽的型材使用什么角件,這個問題問的太泛了,對于這個問題小編來給大家一一分解一下。
鋁合金型材基本上是四面都帶槽的,就有個別的是一面有槽,和兩面帶槽,這兩類就占時不介紹,來介紹大家常用的四面帶槽鋁型材。
不同規格鋁合金型材使用到的角件也是不一樣的,每款鋁合金型材型號都有對應的角件搭配,為了讓大家快速理解,這里就給大家放兩張CAD圖紙講解。
大家可以看這張圖紙它是4080鋁型材,當然用到的角件也是4080,這之前講過用什么型材就要選擇對應的配件,角件也是不例外,要看用哪一面來連接,如用40那一面,就要選擇4040角件了。
文章出自上海啟域金屬制品有限公司:m.nbchunrui.cn,禁止轉載!
鋁合金型材基本上是四面都帶槽的,就有個別的是一面有槽,和兩面帶槽,這兩類就占時不介紹,來介紹大家常用的四面帶槽鋁型材。
不同規格鋁合金型材使用到的角件也是不一樣的,每款鋁合金型材型號都有對應的角件搭配,為了讓大家快速理解,這里就給大家放兩張CAD圖紙講解。
大家可以看這張圖紙它是4080鋁型材,當然用到的角件也是4080,這之前講過用什么型材就要選擇對應的配件,角件也是不例外,要看用哪一面來連接,如用40那一面,就要選擇4040角件了。
(鋁合金型材)
(角碼角件)
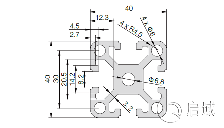
這張圖鋁合金型材四面都是單槽,它是4040鋁型材,選擇的是4040角件,大家可以從第二張圖上面看出來是怎么連接的。
(角碼角件)
通過以上的介紹大家應該知道鋁合金型材該如何選擇角件來使用,如果實在不知道的可以咨詢上海啟域鋁型材廠家,這里提供視頻連接指導。文章出自上海啟域金屬制品有限公司:m.nbchunrui.cn,禁止轉載!




滬公網安備31011702001213號
掃一掃,關注手機站