工業鋁型材組裝框架少不了選型,大家知道選型主要看哪些嗎?看硬度,看強度,看型材壁厚,尤其是壁厚是選型中主要看的一部分,因為壁厚選擇的合適不合適決定后期框架的結實度,今天這篇文章就來給大家介紹一下在圖紙上怎么看工業鋁型材厚度?
工業鋁型材規格有上千種,所以大家在選上面可能有糾結,因為不知道選擇哪種?對于常用型材的小伙伴選型就不用糾結。其實型材選型每個廠家都會提供紙質檔手冊和電子檔手冊,上面皆有每款型材規格及使用用途,包括型材的詳細結構圖紙數據,選型主要就是要看些部分,因為通過圖紙的數據可以選擇自己想要的型材。
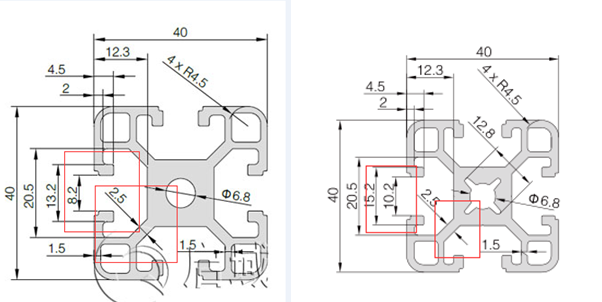
下面大家來看一下上面這張圖,這款是4080標準鋁型材圖紙,上面有詳細標注每個部分尺寸,通過這些尺寸大家可以在上千種規格型材中找到適合自己框架的型材。
以上的數據尺寸圖一般是技術人員內部使用,以及出加工圖使用。型材截面可以計算得出面積、米重。
工業鋁型材厚度在圖紙上面很好看到的,一個是斜徑厚度,一個是壁厚,這是選型時必要看的數據,這兩點如果沒有達到設計的框架標準,定制好的框架可能會很多方面的問題。
以上是對工業鋁型材厚度在圖紙上如何看?做了簡單介紹,希望文中內容能幫得到大家。上海啟域專業生產型材及配件,10余年的行業經驗,有數10人技術團隊,提供設計解決方案。合作企業5000+,可提供豐富案例參考。
工業鋁型材規格有上千種,所以大家在選上面可能有糾結,因為不知道選擇哪種?對于常用型材的小伙伴選型就不用糾結。其實型材選型每個廠家都會提供紙質檔手冊和電子檔手冊,上面皆有每款型材規格及使用用途,包括型材的詳細結構圖紙數據,選型主要就是要看些部分,因為通過圖紙的數據可以選擇自己想要的型材。
下面大家來看一下上面這張圖,這款是4080標準鋁型材圖紙,上面有詳細標注每個部分尺寸,通過這些尺寸大家可以在上千種規格型材中找到適合自己框架的型材。
以上的數據尺寸圖一般是技術人員內部使用,以及出加工圖使用。型材截面可以計算得出面積、米重。
工業鋁型材厚度在圖紙上面很好看到的,一個是斜徑厚度,一個是壁厚,這是選型時必要看的數據,這兩點如果沒有達到設計的框架標準,定制好的框架可能會很多方面的問題。
以上是對工業鋁型材厚度在圖紙上如何看?做了簡單介紹,希望文中內容能幫得到大家。上海啟域專業生產型材及配件,10余年的行業經驗,有數10人技術團隊,提供設計解決方案。合作企業5000+,可提供豐富案例參考。




滬公網安備31011702001213號
掃一掃,關注手機站