4080這個規格有很多,但是4080黑色歐標流水線鋁型材就不多見了,我們今天要來認識的就是這么一個黑色鋁型材4080,現在先來一起來了解一下它的參數:
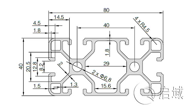
鋁型材 QY-8-4080A黑色
材料:鋁合金Material Aluminum(6063-T5)
單位質量Weight:2.55kg/m
長度Length:6.01m
集合慣性 Mass of lnertia:lx:61.31 cm4 ly:17.70 cm4
截面慣性 Section modulus:Zx:14.5 cm3 Zy:7.25 cm3
用途:廣泛應用于大應力、高強度的框架、結構,以及汽車、工廠自動化、工業模塊結構等特殊領域。是工業框架應用廣泛的型材之一。配套螺栓螺母:它通常采用40系列M8專用T型螺栓與M8法蘭螺母內部連接,或用40系列T型螺母與內六角螺栓配套使用,如受力強度大可采用40系列滑塊螺母與內六角螺栓配套使用,堅固可靠結實。
以上就是4080黑色歐標流水線鋁型材的全部介紹,有需要的朋友可以聯系啟域金屬:021-67658689,啟域金屬廠家直銷4080黑色歐標流水線鋁型材,可定制黑色鋁型材,我們下期再見!
《該文章來源于上海啟域金屬有限公司原創 網址:http://m.nbchunrui.cn/轉載請注明》




滬公網安備31011702001213號
掃一掃,關注手機站